Après le module d'éclairage présenté il y a quelques temps (et qui fait le bonheur de certains), je me suis penché sur la mise au point d'un module plus simple et compact compte tenu de mon besoin et des prix que je juge excessif d'Unilight en quasi monopole.
1/ Origine du projet et fonctionnalités recherchées
Ce projet est né du regret de ne plus voir Gaspar (alias Xicoy elec) fabriquer son module et ses anneaux de PC que je trouvais excellent en terme de rendu et de facilité d’utilisation.
Aussi, j’ai décidé de reprendre les fonctionnalités de son module pour mon projet, à savoir 4 sorties indépendantes qui reproduisent un scintillement pour figurer l’allumage, l’entretien et la coupure d’une post combustion selon la position (configurable) du manche des gaz. Chaque anneau de Led dispose de 2 voies indépendantes (sorte de stéréo optique) afin d’améliorer le rendu de scintillement. Comme le module peut piloter 2 anneaux de Led pour les bi-réacteurs, il a donc 4 voies de sorties. Ce module doit pouvoir être alimenté par une batterie LiPo2S, par exemple celle du réacteur (dans mon cas) via dérivation ou branchement sur prise d’équilibrage.
Un bouton intégré doit permettre de régler le sens du manche des gaz (dicté par le moteur et son ECU) et la position souhaitée de déclenchement de la PC. Quatre micro-Led SMD soudées sur le module doivent permettre de voir l’état des sorties sans avoir à brancher un anneau pour les réglages.
Enfin, pas question de perturber le récepteur ou la box si le module devait avoir un pb: la voie du récepteur devra donc être complètement protégée par optocouplage et aucune puissance ne sera communiquée au module par le RX.
2/ Conception
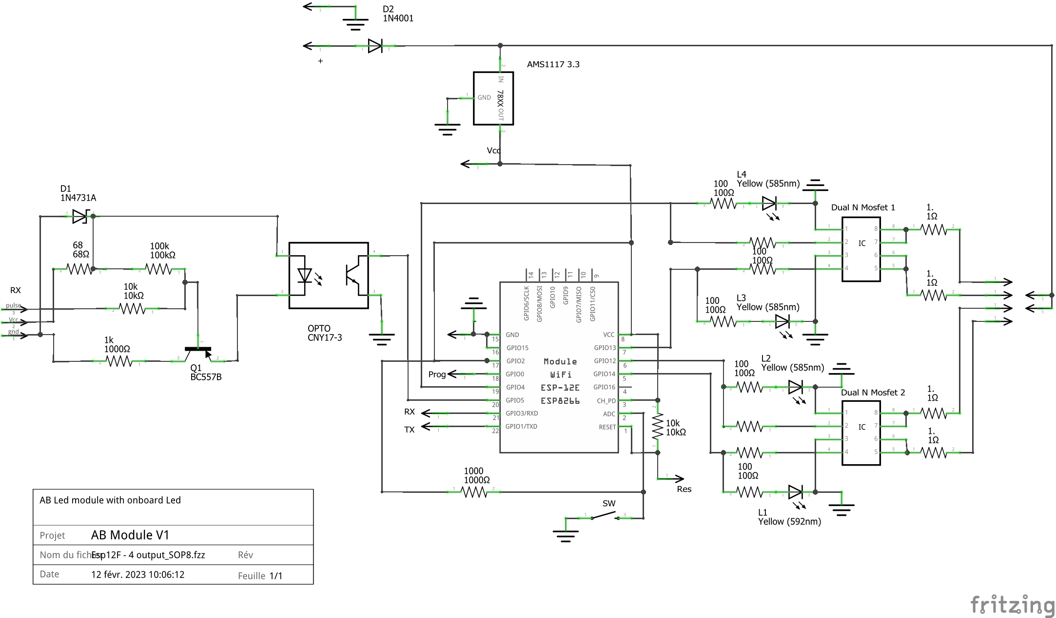
Monté sur un circuit imprimé de 5cm x 2.3cm, ce module est construit autour d’un microcontroleur Espressif Esp8266 de 32bit et calibré à 80MHz. Ce processeur est extrêmement performant, moderne (sorti en 2014), relativement bon marché, peu encombrant et programmable en C++ via l’interface Arduino IDE que j’utilise pour tous mes projets électroniques (projets modélismes et domotique perso). Les fonctionnalités WiFi dont il dispose sont inhibées bien sûr pour éviter tout risque de perturbation et limiter la consommation électrique. Quatre MOSFET (sorte d’interrupteurs électroniques) sont pilotés ce microcontrôleur et alimente les Led via une résistance de protection de quelques Ohms. Le schéma de principe retenu est alors le suivant : Son impression sur plaque époxy double face est confiée à JLCPCB compte tenu du niveau de performance de cette entreprise (qualité, rapidité et prix) : plus besoin de faire ses calques de circuit, de manipuler une machine à insoler et du perchlo avec eux ! Voyez par vous-même le résultat entre dessin du circuit et produit obtenu :
Le produit soudé et assemblé donne ceci pour 10g : 3/ Les anneaux
Les anneaux de Led sont construits à base de regroupements de 3 Led en série pour alimenter en 6.7V. Ces groupes de 3Led sont montés en parallèles selon le schéma suivant : Projet puis production à JLCPCB aussi sur epoxy double face donne ceci: Le courant arrive donc via un fil 3 brins standard pour alimenter les 2 voies de l’anneau et faire un joli scintillement.
4/ Utilisation
L’utilisation se veut la plus simple possible :
- Branchement en entrée de la batterie 2S et branchement en sortie du (des) anneau(x) de PC ;
- Réglage de la course NORM/REV via le bouton sur le circuit ;
- Réglage du point de début de PC avec ce même bouton.
>> Et voilà le résultat <<
Fonctionne nikel pour qques amis et moi.
N'hésitez pas à me contacter si vous souhaitez que je vous assemble un module pour vous (27€ le module...

